Главная > Подшипники> Шариковые> Радиальные>CSCB030

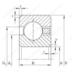
CSCB030 — Подшипник однорядный шариковый радиальный, импортное производство по ISO стандарту, размер 76x92x7 основное исполнение.
Производитель: INA.
B = однокомпонентное ребристое внутреннее кольцо.
Цена по запросу
Цена на подшипник зависит от:
Габаритные размеры
Размеры и геометрические характеристики
Нагрузка и ресурс
Конструкция и исполнение
Подшипник шариковый радиальный с тонким кольцом CSEB030 (INA)
Подшипник шариковый радиальный с тонким кольцом CSXB030 (INA)
Радиальный шарикоподшипник KBC030 (KOYO)
Радиально-упорный шарикоподшипник KBA030 (KOYO)
Радиально-упорный шарикоподшипник KBX030 (KOYO)