Главная > Подшипники> Шариковые> Радиальные>CSCA100

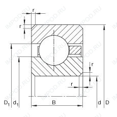
CSCA100 — Подшипник однорядный шариковый радиальный, импортное производство по ISO стандарту, размер 254x266x6 основное исполнение.
Производитель: INA.
A1 = Конический роликовый подшипник однорядный
Цена по запросу
Цена на подшипник зависит от:
Габаритные размеры
Размеры и геометрические характеристики
Нагрузка и ресурс
Конструкция и исполнение
Радиальный шарикоподшипник KAC100 (KOYO)
Радиальный шарикоподшипник KRA100 (NTN)
Радиально-упорный шарикоподшипник KAA100 (KOYO)
Радиально-упорный шарикоподшипник KAX100 (KOYO)