Главная > Подшипники> Шариковые> Радиальные>CSCA090

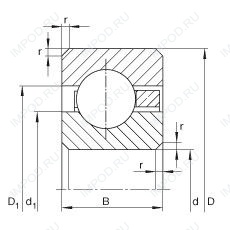
CSCA090 — Подшипник однорядный шариковый радиальный, импортное производство по ISO стандарту, размер 228x241x6 основное исполнение.
Производитель: INA.
A = внутренняя модификация конструкции.
Цена по запросу
Цена на подшипник зависит от:
Габаритные размеры
Размеры и геометрические характеристики
Нагрузка и ресурс
Конструкция и исполнение
Радиальный шарикоподшипник KAC090 (KOYO)
Радиально-упорный шарикоподшипник KAA090 (KOYO)
Радиально-упорный шарикоподшипник KAX090 (KOYO)