Главная > Подшипники> Шариковые> Радиальные>CSCA065

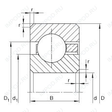
CSCA065 — Подшипник однорядный шариковый радиальный, импортное производство по ISO стандарту, размер 165x177x6 основное исполнение.
Производитель: INA.
A = внутренняя модификация конструкции.
Цена по запросу
Цена на подшипник зависит от:
Габаритные размеры
Размеры и геометрические характеристики
Нагрузка и ресурс
Конструкция и исполнение
Подшипник шариковый радиальный с тонким кольцом CSEA065 (INA)
Подшипник шариковый радиальный с тонким кольцом CSXA065 (INA)
Радиальный шарикоподшипник KAC065 (KOYO)
Радиально-упорный шарикоподшипник KAX065 (KOYO)
Радиально-упорный шарикоподшипник KAA065 (KOYO)
Радиально-упорный шарикоподшипник KXA065 (NTN)