Главная > Подшипники> Шариковые> Радиальные>CSCA055

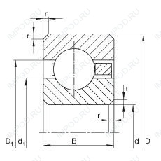
CSCA055 — Подшипник шариковый радиальный с тонким кольцом, импортное производство по ISO стандарту, размер 139x152x6 основное исполнение.
Производитель: INA.
A = внутренняя модификация конструкции.
Цена по запросу
Цена на подшипник зависит от:
Габаритные размеры
Размеры и геометрические характеристики
Нагрузка и ресурс
Конструкция и исполнение
Подшипник шариковый радиальный с тонким кольцом CSEA055 (INA)
Подшипник шариковый с четырехточечным контактом CSXA055 (INA)
Радиальный шарикоподшипник KAC055 (KOYO)
Радиально-упорный шарикоподшипник KAA055 (KOYO)
Радиально-упорный шарикоподшипник KAX055 (KOYO)