Главная > Подшипники> Шариковые> Радиальные>CSCA035

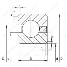
CSCA035 — Подшипник однорядный шариковый радиальный, импортное производство по ISO стандарту, размер 88x101x6 основное исполнение.
Производитель: INA.
A = внутренняя модификация конструкции.
Цена по запросу
Цена на подшипник зависит от:
Габаритные размеры
Размеры и геометрические характеристики
Нагрузка и ресурс
Конструкция и исполнение
Подшипник шариковый с четырехточечным контактом CSXA035 (INA)
Подшипник шариковый радиальный с тонким кольцом CSEA035 (INA)
Радиальный шарикоподшипник KAC035 (KOYO)
Радиально-упорный шарикоподшипник KAX035 (KOYO)
Радиально-упорный шарикоподшипник KAA035 (KOYO)
Радиально-упорный шарикоподшипник KXA035 (NTN)