Главная > Подшипники> Шариковые> Радиальные>CSCA025

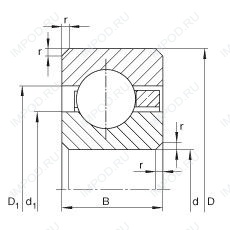
CSCA025 — Подшипник шариковый радиальный с тонким кольцом, импортное производство по ISO стандарту, размер 63x76x6 основное исполнение.
Производитель: INA.
A = внутренняя модификация конструкции.
Цена по запросу
Цена на подшипник зависит от:
Габаритные размеры
Размеры и геометрические характеристики
Нагрузка и ресурс
Конструкция и исполнение
Подшипник шариковый радиальный с тонким кольцом CSEA025 (INA)
Подшипник шариковый радиальный с тонким кольцом CSXA025 (INA)
Радиальный шарикоподшипник KAC025 (KOYO)
Радиально-упорный шарикоподшипник KAA025 (KOYO)
Радиально-упорный шарикоподшипник KAX025 (KOYO)
Радиально-упорный шарикоподшипник KYA025 (NTN)