Главная > Подшипники> Роликовые > Упорные>CRBH 258 A UU

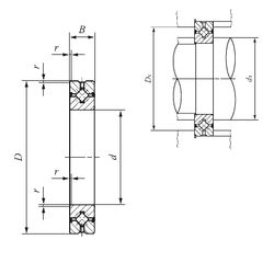
CRBH 258 A UU — Подшипник роликовый упорно-радиальный с четырехточечным контактом, импортное производство по ISO стандарту, размер 25x41x8 номер основного исполнения .
Производитель: IKO.
Резиновое уплотнение на каждой стороне подшипника.
Цена по запросу
Цена на подшипник зависит от:
Габаритные размеры
Размеры и геометрические характеристики
Нагрузка и ресурс
Защита
Присоединительные размеры
Конструкция и исполнение