Главная > Подшипники> Роликовые > Упорные>CRBH 25025 A UU

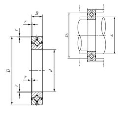
CRBH 25025 A UU — Подшипник роликовый упорно-радиальный с четырехточечным контактом, импортное производство по ISO стандарту, размер 250x310x25 номер основного исполнения .
Производитель: IKO.
Резиновое уплотнение на каждой стороне подшипника.
Цена по запросу
Цена на подшипник зависит от:
Габаритные размеры
Размеры и геометрические характеристики
Нагрузка и ресурс
Защита
Присоединительные размеры
Конструкция и исполнение
Подшипник роликовый упорно-радиальный с четырехточечным контактом CRB 25025 UU (IKO)
Подшипник роликовый упорно-радиальный с четырехточечным контактом CRB 40035 (IKO, ISB)
Подшипник роликовый упорно-радиальный с четырехточечным контактом CRBC 25025 UU (IKO)
Подшипник роликовый упорно-радиальный с четырехточечным контактом CRBC 25025 (IKO, ISB)
Подшипник роликовый упорно-радиальный с четырехточечным контактом CRBH 25025 A (IKO, ISB)
Подшипник роликовый опорно-поворотный RB 25025 (ISB)