Главная > Подшипники> Роликовые > Упорные>CRBC 8016

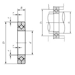
CRBC 8016 — Подшипник роликовый упорно-радиальный с четырехточечным контактом, импортное производство по ISO стандарту, размер 80x120x16 номер основного исполнения CRBC8016.
Производится брендами: IKO, ISB.
С = Необслуживаемые концы стержней, внутренняя резьба.
Цена по запросу
Цена на подшипник зависит от:
| Обозначение | Модификация |
|---|---|
| CRBC 8016 UU | Резиновое уплотнение на каждой стороне подшипника. |
Габаритные размеры
Размеры и геометрические характеристики
Нагрузка и ресурс
Защита
Присоединительные размеры
Конструкция и исполнение
Подшипник роликовый упорно-радиальный с четырехточечным контактом CRB 8016 UU (IKO)
Подшипник роликовый упорно-радиальный с четырехточечным контактом CRB 8016 (IKO, ISB)
Подшипник роликовый упорно-радиальный с четырехточечным контактом CRBH 8016 A UU (IKO)
Подшипник роликовый упорно-радиальный с четырехточечным контактом CRBH 8016 A (IKO, ISB)
Подшипник роликовый опорно-поворотный RB 8016 (ISB)
Подшипник роликовый опорно-поворотный RE 8016 (ISB)