Главная > Подшипники> Роликовые > Упорные>CRBC 70070

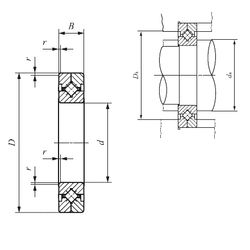
CRBC 70070 — Подшипник роликовый упорно-радиальный с четырехточечным контактом, импортное производство по ISO стандарту, размер 500x625x50 номер основного исполнения CRBC70070.
Производится брендами: IKO, ISB.
С = Необслуживаемые концы стержней, внутренняя резьба.
Цена по запросу
Цена на подшипник зависит от:
Габаритные размеры
Размеры и геометрические характеристики
Нагрузка и ресурс
Защита
Присоединительные размеры
Конструкция и исполнение
Подшипник роликовый упорно-радиальный с четырехточечным контактом CRB 70070 (IKO, ISB)
Подшипник роликовый упорно-радиальный с четырехточечным контактом CRBC 50050 (IKO, ISB)
Подшипник роликовый опорно-поворотный RB 50050 (ISB)
Подшипник роликовый опорно-поворотный RE 50050 (ISB)