Главная > Подшипники> Роликовые > Упорные>CRBC 6013

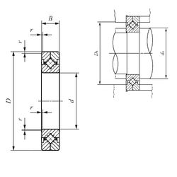
CRBC 6013 — Подшипник роликовый упорно-радиальный с четырехточечным контактом, импортное производство по ISO стандарту, размер 60x90x13 номер основного исполнения CRBC6013.
Производится брендами: IKO, ISB.
С = Необслуживаемые концы стержней, внутренняя резьба.
Цена по запросу
Цена на подшипник зависит от:
| Обозначение | Модификация |
|---|---|
| CRBC 6013 UU | Резиновое уплотнение на каждой стороне подшипника. |
Габаритные размеры
Размеры и геометрические характеристики
Нагрузка и ресурс
Защита
Присоединительные размеры
Конструкция и исполнение
Подшипник роликовый упорно-радиальный с четырехточечным контактом CRB 6013 (IKO, ISB)
Подшипник роликовый упорно-радиальный с четырехточечным контактом CRB 6013 UU (IKO)
Подшипник роликовый упорно-радиальный с четырехточечным контактом CRBH 6013 A UU (IKO)
Подшипник роликовый упорно-радиальный с четырехточечным контактом CRBH 6013 A (IKO, ISB)
Подшипник роликовый опорно-поворотный RB 6013 (ISB)
Подшипник роликовый опорно-поворотный RE 6013 (ISB)