Главная > Подшипники> Роликовые > Упорные>CRBC 60040

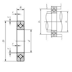
CRBC 60040 — Подшипник роликовый упорно-радиальный с четырехточечным контактом, импортное производство по ISO стандарту, размер 400x480x35 номер основного исполнения CRBC60040.
Производится брендами: IKO, ISB.
С = Необслуживаемые концы стержней, внутренняя резьба.
Цена по запросу
Цена на подшипник зависит от:
Габаритные размеры
Размеры и геометрические характеристики
Нагрузка и ресурс
Защита
Присоединительные размеры
Конструкция и исполнение
Подшипник роликовый упорно-радиальный с четырехточечным контактом CRB 60040 (IKO, ISB)
Подшипник роликовый упорно-радиальный с четырехточечным контактом CRBC 40035 (IKO, ISB)
Подшипник роликовый опорно-поворотный RB 40035 (ISB)
Подшипник роликовый опорно-поворотный RE 40035 (ISB)