Главная > Подшипники> Роликовые > Упорные>CRBC 3010

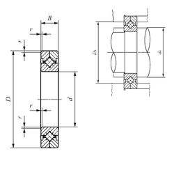
CRBC 3010 — Подшипник роликовый упорно-радиальный с четырехточечным контактом, импортное производство по ISO стандарту, размер 30x55x10 номер основного исполнения CRBC3010.
Производитель: IKO.
C3 = Радиальный внутренний зазор больше нормального.
Цена по запросу
Цена на подшипник зависит от:
| Обозначение | Модификация |
|---|---|
| CRBC 3010 UU | C3 = Радиальный внутренний зазор больше нормального. |
Габаритные размеры
Размеры и геометрические характеристики
Нагрузка и ресурс
Защита
Присоединительные размеры
Конструкция и исполнение
Подшипник роликовый упорно-радиальный с четырехточечным контактом CRB 3010 (IKO)
Подшипник роликовый упорно-радиальный с четырехточечным контактом CRB 3010 UU (IKO)
Подшипник роликовый упорно-радиальный с четырехточечным контактом CRBH 3010 A UU (IKO)
Подшипник роликовый упорно-радиальный с четырехточечным контактом CRBH 3010 A (IKO)