Главная > Подшипники> Роликовые > Упорные>CRBC 30040

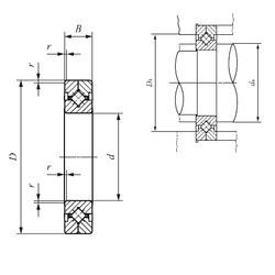
CRBC 30040 — Подшипник роликовый упорно-радиальный с четырехточечным контактом, импортное производство по ISO стандарту, размер 700x880x70 номер основного исполнения CRBC30040.
Производится брендами: IKO, ISB.
C3 = Радиальный внутренний зазор больше нормального.
Цена по запросу
Цена на подшипник зависит от:
Габаритные размеры
Размеры и геометрические характеристики
Нагрузка и ресурс
Защита
Присоединительные размеры
Конструкция и исполнение