Главная > Подшипники> Роликовые > Упорные>CRBC 30025

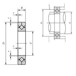
CRBC 30025 — Подшипник роликовый упорно-радиальный с четырехточечным контактом, импортное производство по ISO стандарту, размер 600x870x120 номер основного исполнения CRBC30025.
Производится брендами: IKO, ISB.
C3 = Радиальный внутренний зазор больше нормального.
Цена по запросу
Цена на подшипник зависит от:
| Обозначение | Модификация |
|---|---|
| CRBC 30025 UU | C3 = Радиальный внутренний зазор больше нормального. |
Габаритные размеры
Размеры и геометрические характеристики
Нагрузка и ресурс
Защита
Присоединительные размеры
Конструкция и исполнение