Главная > Подшипники> Роликовые > Упорные>CRBC 25030

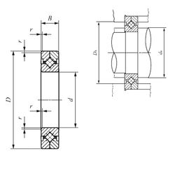
CRBC 25030 — Подшипник роликовый упорно-радиальный с четырехточечным контактом, импортное производство по ISO стандарту, размер 800x950x70 номер основного исполнения CRBC25030.
Производится брендами: IKO, ISB.
C2 = Радиальный внутренний зазор меньше нормального.
Цена по запросу
Цена на подшипник зависит от:
Габаритные размеры
Размеры и геометрические характеристики
Нагрузка и ресурс
Защита
Присоединительные размеры
Конструкция и исполнение
Подшипник роликовый упорно-радиальный с четырехточечным контактом CRB 80070 (IKO, ISB)
Подшипник роликовый упорно-радиальный с четырехточечным контактом CRBC 80070 (IKO, ISB)
Подшипник роликовый опорно-поворотный RB 80070 (ISB)