Главная > Подшипники> Роликовые > Упорные>CRBC 20035

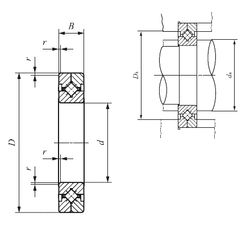
CRBC 20035 — Подшипник роликовый упорно-радиальный с четырехточечным контактом, импортное производство по ISO стандарту, размер 200x295x35 номер основного исполнения CRBC20035.
Производится брендами: IKO, ISB.
C2 = Радиальный внутренний зазор меньше нормального.
Цена по запросу
Цена на подшипник зависит от:
Габаритные размеры
Размеры и геометрические характеристики
Нагрузка и ресурс
Защита
Присоединительные размеры
Конструкция и исполнение
Подшипник роликовый упорно-радиальный с четырехточечным контактом CRB 20035 (IKO, ISB)
Подшипник роликовый опорно-поворотный RB 20035 (ISB)
Подшипник роликовый опорно-поворотный RE 20035 (ISB)