Главная > Подшипники> Роликовые > Упорные>CRBC 20030

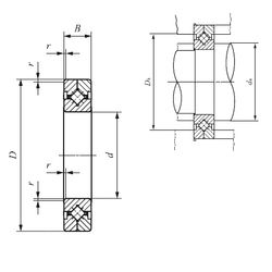
CRBC 20030 — Подшипник роликовый упорно-радиальный с четырехточечным контактом, импортное производство по ISO стандарту, размер 200x280x30 номер основного исполнения CRBC20030.
Производится брендами: IKO, ISB.
C2 = Радиальный внутренний зазор меньше нормального.
Цена по запросу
Цена на подшипник зависит от:
Габаритные размеры
Размеры и геометрические характеристики
Нагрузка и ресурс
Защита
Присоединительные размеры
Конструкция и исполнение
Осевой радиально-упорный роликоподшипник 200XRN28 (NACHI)
Подшипник роликовый упорно-радиальный с четырехточечным контактом CRB 20030 (IKO, ISB)
Подшипник роликовый опорно-поворотный RB 20030 (ISB)
Подшипник роликовый опорно-поворотный RE 20030 (ISB)