Главная > Подшипники> Роликовые > Упорные>CRBC 20025

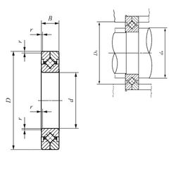
CRBC 20025 — Подшипник роликовый упорно-радиальный с четырехточечным контактом, импортное производство по ISO стандарту, размер 200x260x25 номер основного исполнения CRBC20025.
Производится брендами: IKO, ISB.
C2 = Радиальный внутренний зазор меньше нормального.
Цена по запросу
Цена на подшипник зависит от:
| Обозначение | Модификация |
|---|---|
| CRBC 20025 UU | C2 = Радиальный внутренний зазор меньше нормального. |
Габаритные размеры
Размеры и геометрические характеристики
Нагрузка и ресурс
Защита
Присоединительные размеры
Конструкция и исполнение
Подшипник роликовый упорно-радиальный с четырехточечным контактом CRB 20025 (IKO, ISB)
Подшипник роликовый упорно-радиальный с четырехточечным контактом CRB 20025 UU (IKO)
Подшипник роликовый упорно-радиальный с четырехточечным контактом CRBH 20025 A UU (IKO)
Подшипник роликовый упорно-радиальный с четырехточечным контактом CRBH 20025 A (IKO, ISB)
Подшипник роликовый опорно-поворотный RB 20025 (ISB)
Подшипник роликовый опорно-поворотный RE 20025 (ISB)