Главная > Подшипники> Роликовые > Упорные>CRBC 15030

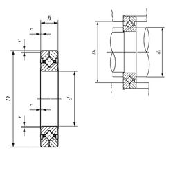
CRBC 15030 — Подшипник роликовый упорно-радиальный с четырехточечным контактом, импортное производство по ISO стандарту, размер 150x230x30 номер основного исполнения CRBC15030.
Производится брендами: IKO, ISB.
С1 = Внутренний зазор подшипника меньше С2.
Цена по запросу
Цена на подшипник зависит от:
| Обозначение | Модификация |
|---|---|
| CRBC 15030 UU | С1 = Внутренний зазор подшипника меньше С2. |
Габаритные размеры
Размеры и геометрические характеристики
Нагрузка и ресурс
Защита
Присоединительные размеры
Конструкция и исполнение
Осевой радиально-упорный роликоподшипник 150XRG23 (NACHI)
Осевой радиально-упорный роликоподшипник 150XRN23 (NACHI)
Подшипник роликовый упорно-радиальный с четырехточечным контактом CRB 15030 (IKO, ISB)
Подшипник роликовый упорно-радиальный с четырехточечным контактом CRB 15030 UU (IKO)
Подшипник роликовый опорно-поворотный RB 15030 (ISB)
Подшипник роликовый опорно-поворотный RE 15030 (ISB)