Главная > Подшипники> Роликовые > Упорные>CRBC 13025

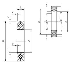
CRBC 13025 — Подшипник роликовый упорно-радиальный с четырехточечным контактом, импортное производство по ISO стандарту, размер 130x190x25 номер основного исполнения CRBC13025.
Производится брендами: IKO, ISB.
С1 = Внутренний зазор подшипника меньше С2.
Цена по запросу
Цена на подшипник зависит от:
| Обозначение | Модификация |
|---|---|
| CRBC 13025 UU | С1 = Внутренний зазор подшипника меньше С2. |
Габаритные размеры
Размеры и геометрические характеристики
Нагрузка и ресурс
Защита
Присоединительные размеры
Конструкция и исполнение
Подшипник роликовый упорно-радиальный с четырехточечным контактом CRB 13025 (IKO, ISB)
Подшипник роликовый упорно-радиальный с четырехточечным контактом CRB 13025 UU (IKO)
Подшипник роликовый упорно-радиальный с четырехточечным контактом CRBH 13025 A UU (IKO)
Подшипник роликовый упорно-радиальный с четырехточечным контактом CRBH 13025 A (IKO, ISB)
Подшипник роликовый опорно-поворотный RB 13025 (ISB)
Подшипник роликовый опорно-поворотный RE 13025 (ISB)