Главная > Подшипники> Шариковые> Радиальные>CRB35/110

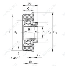
CRB35/110 — Подшипник для корпуса, импортное производство по ISO стандарту, размер 35x112x44 номер основного исполнения .
Производитель: INA.
Цена от:1 185 р.
Цена на подшипник зависит от:
Габаритные размеры
Размеры и геометрические характеристики
Нагрузка и ресурс
Защита
Прочие характеристики