Главная > Подшипники> Шариковые> Радиальные>CRB25/72

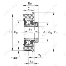
CRB25/72 — Подшипник шариковый закрепляемый, импортное производство по ISO стандарту, размер 25x73x36 номер основного исполнения .
Производитель: INA.
Цена от:753 р.
Цена на подшипник зависит от:
Габаритные размеры
Размеры и геометрические характеристики
Нагрузка и ресурс
Защита
Прочие характеристики