Главная > Подшипники>C 41/560 K30MB + AOH 241/560 G

C 41/560 K30MB + AOH 241/560 G — Тороидальный роликоподшипник CARB® на стяжной втулке, импортное производство по ISO стандарту, размер 920x530x393 номер основного исполнения .
Производитель: SKF.
Тороидальные подшипники CARB.
60G = G = Втулки подшипника с возможностью смазки.
Цена по запросу
Цена на подшипник зависит от:
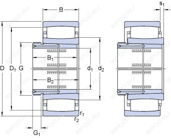
Габаритные размеры
Размеры и геометрические характеристики
Нагрузка и ресурс
Коэффициенты для расчета
Присоединительные размеры
Прочие характеристики