Главная > Подшипники> Роликовые > Радиальные>C 3188 KMB + AOHX 3188 G

C 3188 KMB + AOHX 3188 G — Тороидальный роликоподшипник CARB® на стяжной втулке, импортное производство по ISO стандарту, размер 720x420x270 номер основного исполнения .
Производитель: SKF.
Тороидальные подшипники CARB.
K = коническое отверстие, конус 1:12. М = Механически обработанный латунный сепаратор, центрируемый по роликам.
Цена от:806 р.
Цена на подшипник зависит от:
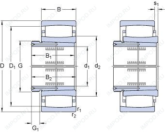
Габаритные размеры
Размеры и геометрические характеристики
Нагрузка и ресурс
Коэффициенты для расчета
Присоединительные размеры
Прочие характеристики