Главная > Подшипники>C 3176 KMB + AOH 3176 G

C 3176 KMB + AOH 3176 G — Тороидальный роликоподшипник CARB® на стяжной втулке, импортное производство по ISO стандарту, размер 620x360x232 номер основного исполнения .
Производитель: SKF.
Тороидальные подшипники CARB.
K = коническое отверстие, конус 1:12. М = Механически обработанный латунный сепаратор, центрируемый по роликам.
Цена по запросу
Цена на подшипник зависит от:
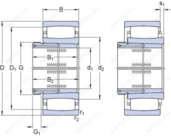
Габаритные размеры
Размеры и геометрические характеристики
Нагрузка и ресурс
Коэффициенты для расчета
Присоединительные размеры
Прочие характеристики