Главная > Подшипники>C 3068 KM + AOH 3068 G

C 3068 KM + AOH 3068 G — Тороидальный роликоподшипник CARB® на стяжной втулке, импортное производство по ISO стандарту, размер 520x320x162 номер основного исполнения .
Производитель: SKF.
Тороидальные подшипники CARB.
K = коническое отверстие, конус 1:12. MA = обработанная латунная клетка с наружным кольцом.
Цена по запросу
Цена на подшипник зависит от:
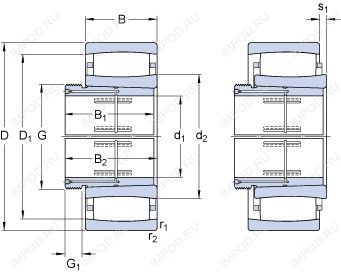
Габаритные размеры
Размеры и геометрические характеристики
Нагрузка и ресурс
Коэффициенты для расчета
Присоединительные размеры
Прочие характеристики