Главная > Подшипники>C 3048 K + AOH 3048

C 3048 K + AOH 3048 — Тороидальный роликоподшипник CARB® на стяжной втулке, импортное производство по ISO стандарту, размер 360x220x116 номер основного исполнения C3048.
Производитель: SKF.
Тороидальные подшипники CARB.
H = высокая, узкая каретка для двухрядного шарикоподшипника и направляющей в сборе.
Цена по запросу
Цена на подшипник зависит от:
| Обозначение | Модификация |
|---|---|
| C 3048 | Тороидальные подшипники CARB. |
| C 3048 K | Тороидальные подшипники CARB. К = Коническая посадка, конусность 1:12. |
| C 3048 K + OH 3048 H | Тороидальные подшипники CARB. К = Коническая посадка, конусность 1:12. |
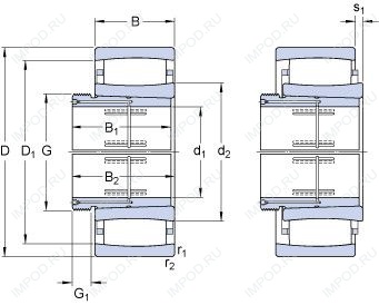
Габаритные размеры
Размеры и геометрические характеристики
Нагрузка и ресурс
Коэффициенты для расчета
Присоединительные размеры
Прочие характеристики