Главная > Подшипники> Шариковые> Радиально-упорные>BX35-1DDU

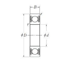
BX35-1DDU — Радиально-упорный шарикоподшипник, импортное производство по ISO стандарту, размер 35x52x12 номер основного исполнения .
Производитель: NSK.
DDU = резиновые уплотнения на каждой стороне подшипника.
Цена по запросу
Цена на подшипник зависит от:
Габаритные размеры
Размеры и геометрические характеристики
Защита
Конструкция и исполнение
Подшипник шариковый упорный однонаправленный 51107 (AST, CRAFT, CX, FAG, FBJ)
Подшипник упорный шариковый одинарный 8107
Подшипник упорный шариковый одинарный 2-8107 (ГПЗ-2)
Подшипник упорный шариковый одинарный 4-8107 (ГПЗ-2)
Подшипник упорный шариковый одинарный 5-8107
Подшипник упорный шариковый одинарный 6-8107