Главная > Подшипники> Роликовые > Радиально-упорные>BT2B 334069/HA3

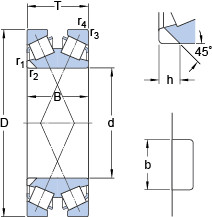
BT2B 334069/HA3 — Двухрядный конический роликоПодшипник конфигурации TDI, импортное производство по ISO стандарту, размер 620x445x160 номер основного исполнения .
Производитель: SKF.
H = высокая, узкая каретка для двухрядного шарикоподшипника и направляющей в сборе.
Цена по запросу
Цена на подшипник зависит от:
Габаритные размеры
Размеры и геометрические характеристики
Нагрузка и ресурс
Коэффициенты для расчета
Присоединительные размеры
Конструкция и исполнение