Главная > Подшипники> Роликовые > Радиально-упорные>BT2B 328876/HA1

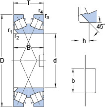
BT2B 328876/HA1 — Двухрядный конический роликоПодшипник конфигурации TDI, импортное производство по ISO стандарту, размер 680x460x180 номер основного исполнения .
Производитель: SKF.
HA1 = Закаленное внутреннее и наружное кольцо.
Цена по запросу
Цена на подшипник зависит от:
Габаритные размеры
Размеры и геометрические характеристики
Нагрузка и ресурс
Коэффициенты для расчета
Присоединительные размеры
Конструкция и исполнение