Главная > Подшипники> Шариковые> Упорные>BSU3572BDFF - T

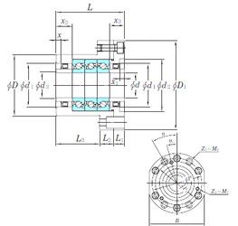
BSU3572BDFF - T — Осевой радиально-упорный шарикоподшипник, импортное производство по ISO стандарту, размер 35x84x105 номер основного исполнения .
Производитель: KOYO.
B = 40 градусов угол контакта. DF = Два однорядных радиальных шарикоподшипника, однорядных радиально-упорных шарикоподшипника или однорядных конических роликоподшипника, согласованные для монтажа по Х-образной схеме.
Цена по запросу
Цена на подшипник зависит от:
Габаритные размеры
Размеры и геометрические характеристики
Защита
Конструкция и исполнение
Другие размеры
Осевой радиально-упорный шарикоподшипник BSU3572BDF - T (KOYO)
Осевой радиально-упорный шарикоподшипник BSU3572BDFD - T (KOYO)