Главная > Подшипники> Шариковые> Упорные>BSDU 240 FF

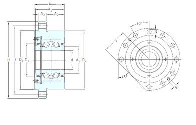
BSDU 240 FF — Осевой радиально-упорный шарикоподшипник, импортное производство по ISO стандарту номер основного исполнения .
Производитель: SNFA.
Механически обработанный сепаратор из стали или чугуна, центрируемый по телам качения.
Цена от:32 611 р.
Цена на подшипник зависит от:
Габаритные размеры
Размеры и геометрические характеристики
Нагрузка и ресурс
Защита
Присоединительные размеры
Конструкция и исполнение
Другие размеры
Осевой радиально-упорный шарикоподшипник BSQU 240/1 TDT (SNFA)
Осевой радиально-упорный шарикоподшипник BSDU 240 DD (SNFA)
Осевой радиально-упорный шарикоподшипник BSQU 240 TFT (SNFA)
Осевой радиально-упорный шарикоподшипник BSQU 240 TDT (SNFA)
Осевой радиально-упорный шарикоподшипник BSQU 240/1 TFT (SNFA)
Игольчатый роликоподшипник KJ40X47X28.8 (NTN)