Главная > Подшипники> Шариковые> Упорные>BSDU 235 FF

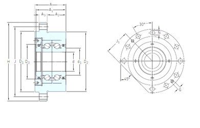
BSDU 235 FF — Осевой радиально-упорный шарикоподшипник, импортное производство по ISO стандарту номер основного исполнения .
Производитель: SNFA.
Механически обработанный сепаратор из стали или чугуна, центрируемый по телам качения.
Цена по запросу
Цена на подшипник зависит от:
Габаритные размеры
Размеры и геометрические характеристики
Нагрузка и ресурс
Защита
Присоединительные размеры
Конструкция и исполнение
Другие размеры
Подшипник упорный шариковый одинарный 1008907 Ю1 (ГПЗ-2)
Подшипник шариковый из нержавеющей стали S61807-2RS (ZEN)
Радиальный шарикоподшипник S61807 (ZEN)
Роликовый игольчатый подшипник RNAO35x47x16 (CX, INA, ISO, KOYO, NBS)
Роликовый игольчатый подшипник RNAO35x47x18 (CX, INA, ISO, NBS, NTN)
Роликовый игольчатый подшипник RNAO35x47x32 (CX, ISO, KOYO, SKF, TIMKEN)