Главная > Подшипники> Шариковые> Упорные>BSD 4575 CG-2RZ

BSD 4575 CG-2RZ — Осевой радиально-упорный шарикоподшипник, импортное производство по ISO стандарту, размер 45x75x15 номер основного исполнения .
Производитель: SKF.
2RZ = Шариковый подшипник, с уплотнением низкого трения на обеих сторонах. Уплотнение состоит из шайбы тонколистовой стали с вулканизированной резиной.
Цена по запросу
Цена на подшипник зависит от:
Габаритные размеры
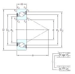
Размеры и геометрические характеристики
Нагрузка и ресурс
Защита
Присоединительные размеры
Конструкция и исполнение
Подшипник роликовый радиально-упорный конический однорядный повышенной грузоподъемности 2007109А
Подшипник роликовый радиально-упорный конический однорядный повышенной грузоподъемности с упорным бортом на наружном кольце 2067109А
Опорный подшипник шарико-винтовой передачи 45TAB07DB (NACHI)
Осевой радиально-упорный шарикоподшипник 45TAB07 (NACHI)
Опорный подшипник шарико-винтовой передачи 45TAB07DF (NACHI)
Шариковый радиально-упорный подшипник однонаправленный 45TAC75B (NSK)