Главная > Подшипники> Шариковые> Упорные>BSD 45100 C

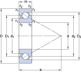
BSD 45100 C — Прецизионный одинарный упорно-радиальный шарикоподшипник для винтовых передач, импортное производство по ISO стандарту, размер 45x100x20 номер основного исполнения .
Производитель: SKF.
С = Необслуживаемые концы стержней, внутренняя резьба.
Цена по запросу
Цена на подшипник зависит от:
Габаритные размеры
Размеры и геометрические характеристики
Нагрузка и ресурс
Присоединительные размеры
Конструкция и исполнение
Прочие характеристики
Опорный подшипник шарико-винтовой передачи 45TAB10DB (NACHI)
Осевой радиально-упорный шарикоподшипник 45TAC100BDDG (NSK)
Осевой радиально-упорный шарикоподшипник 45TAB10 (NACHI)
Шариковый радиально-упорный подшипник однонаправленный 45TAB10DF (NACHI)
Осевой радиально-упорный шарикоподшипник 45TAC100B (NSK)
Осевой радиально-упорный шарикоподшипник BSD 45100 CG-2RZ (SKF)