Главная > Подшипники> Шариковые> Упорные>BSD 45/100 /S 7P62U

BSD 45/100 /S 7P62U — Осевой радиально-упорный шарикоподшипник, импортное производство по ISO стандарту, размер 45x100x20 номер основного исполнения .
Производитель: SNFA.
P62 = Класс точности Р6 и радиальная очистка С2.
Цена по запросу
Цена на подшипник зависит от:
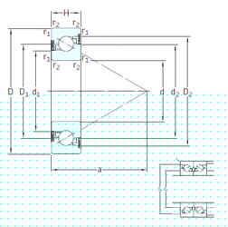
Габаритные размеры
Размеры и геометрические характеристики
Нагрузка и ресурс
Защита
Присоединительные размеры
Конструкция и исполнение
Опорный подшипник шарико-винтовой передачи 45TAB10DB (NACHI)
Осевой радиально-упорный шарикоподшипник 45TAC100BDDG (NSK)
Осевой радиально-упорный шарикоподшипник 45TAB10 (NACHI)
Шариковый радиально-упорный подшипник однонаправленный 45TAB10DF (NACHI)
Осевой радиально-упорный шарикоподшипник 45TAC100B (NSK)
Осевой радиально-упорный шарикоподшипник BSD 45100 CG-2RZ (SKF)