Главная > Подшипники> Шариковые> Упорные>BSD 4072 CG-2RZ

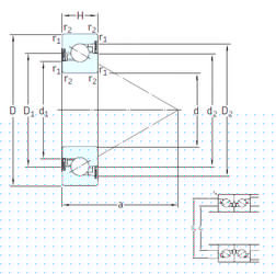
BSD 4072 CG-2RZ — Осевой радиально-упорный шарикоподшипник, импортное производство по ISO стандарту, размер 40x72x15 номер основного исполнения .
Производитель: SKF.
2RZ = Шариковый подшипник, с уплотнением низкого трения на обеих сторонах. Уплотнение состоит из шайбы тонколистовой стали с вулканизированной резиной.
Цена по запросу
Цена на подшипник зависит от:
Габаритные размеры
Размеры и геометрические характеристики
Нагрузка и ресурс
Защита
Присоединительные размеры
Конструкция и исполнение
Осевой радиально-упорный шарикоподшипник 40TAB07 (NACHI)
Осевой радиально-упорный шарикоподшипник 40TAB07-2LR (NACHI)
Осевой радиально-упорный шарикоподшипник 40TAB07-2NK (NACHI)
Опорный подшипник шарико-винтовой передачи 40TAB07DB (NACHI)
Шариковый радиально-упорный подшипник однонаправленный 40TAC72B (NSK)
Опорный подшипник шарико-винтовой передачи 40TAB07DF-2NK (NACHI)