Главная > Подшипники> Шариковые> Упорные>BSD 3572 CG-2RZ

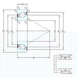
BSD 3572 CG-2RZ — Осевой радиально-упорный шарикоподшипник, импортное производство по ISO стандарту, размер 35x72x15 номер основного исполнения .
Производитель: SKF.
2RZ = Шариковый подшипник, с уплотнением низкого трения на обеих сторонах. Уплотнение состоит из шайбы тонколистовой стали с вулканизированной резиной.
Цена по запросу
Цена на подшипник зависит от:
Габаритные размеры
Размеры и геометрические характеристики
Нагрузка и ресурс
Защита
Присоединительные размеры
Конструкция и исполнение
Подшипник роликовый радиально-упорный конический 67207А
Радиальный шарикоподшипник B35-221 (NSK)
Радиальный шарикоподшипник TM-SC07A87CS32PX11 (NTN)
Опорный подшипник шарико-винтовой передачи 35TAB07DF (NACHI)
Осевой радиально-упорный шарикоподшипник 35TAB07 (NACHI)
Опорный подшипник шарико-винтовой передачи 35TAB07DB-2NK (NACHI)