Главная > Подшипники> Шариковые> Упорные>BSD 3062 CG

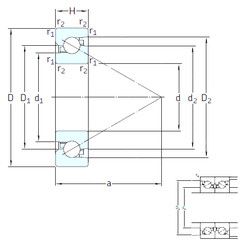
BSD 3062 CG — Осевой радиально-упорный шарикоподшипник, импортное производство по ISO стандарту, размер 30x62x15 номер основного исполнения .
Производитель: SKF.
G = Однорядный радиально-упорный шарикоподшипник для универсального парного монтажа. Два подшипника, установленные по 0-образной или Х-образной схеме, будут иметь определенный осевой зазор в домонтажном состоянии.
Цена от:5 386 р.
Цена на подшипник зависит от:
Габаритные размеры
Размеры и геометрические характеристики
Нагрузка и ресурс
Защита
Присоединительные размеры
Конструкция и исполнение
Осевой радиально-упорный шарикоподшипник 30TAB06 (NACHI)
Осевой радиально-упорный шарикоподшипник 30TAB06-2LR (NACHI)
Опорный подшипник шарико-винтовой передачи 30TAB06DF-2NK (NACHI)
Опорный подшипник шарико-винтовой передачи 30TAB06DB (NACHI)
Опорный подшипник шарико-винтовой передачи 30TAB06DB-2NK (NACHI)
Осевой радиально-упорный шарикоподшипник 30TAB06-2NK (NACHI)