Главная > Подшипники> Шариковые> Упорные>BSD 3062 C

BSD 3062 C — Прецизионный одинарный упорно-радиальный шарикоподшипник для винтовых передач, импортное производство по ISO стандарту, размер 30x62x15 номер основного исполнения .
Производитель: SKF.
С = Необслуживаемые концы стержней, внутренняя резьба.
Цена от:5 386 р.
Цена на подшипник зависит от:
Габаритные размеры
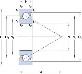
Размеры и геометрические характеристики
Нагрузка и ресурс
Присоединительные размеры
Конструкция и исполнение
Прочие характеристики
Осевой радиально-упорный шарикоподшипник 30TAB06 (NACHI)
Осевой радиально-упорный шарикоподшипник 30TAB06-2LR (NACHI)
Опорный подшипник шарико-винтовой передачи 30TAB06DF-2NK (NACHI)
Опорный подшипник шарико-винтовой передачи 30TAB06DB (NACHI)
Опорный подшипник шарико-винтовой передачи 30TAB06DB-2NK (NACHI)
Осевой радиально-упорный шарикоподшипник 30TAB06-2NK (NACHI)