Главная > Подшипники> Шариковые> Упорные>BSD 2562 CG

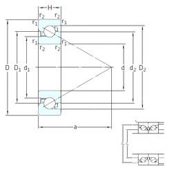
BSD 2562 CG — Осевой радиально-упорный шарикоподшипник, импортное производство по ISO стандарту, размер 25x62x15 номер основного исполнения .
Производитель: SKF.
G = Однорядный радиально-упорный шарикоподшипник для универсального парного монтажа. Два подшипника, установленные по 0-образной или Х-образной схеме, будут иметь определенный осевой зазор в домонтажном состоянии.
Цена по запросу
Цена на подшипник зависит от:
Габаритные размеры
Размеры и геометрические характеристики
Нагрузка и ресурс
Защита
Присоединительные размеры
Конструкция и исполнение
Подшипник роликовый радиально-упорный конический 7305
Опорный ролик 361205 (NKE)
Подшипник роликовый радиально-упорный конический 67305А
Радиальный шарикоподшипник SC05B27 (NTN)
Опорный подшипник шарико-винтовой передачи 25TAB06DB-2NK (NACHI)