Главная > Подшипники> Шариковые> Упорные>BSB055090-T

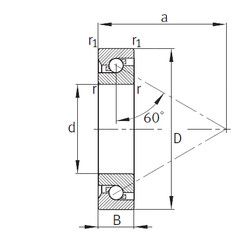
BSB055090-T — Шариковый радиально-упорный подшипник однонаправленный, импортное производство по ISO стандарту, размер 55x90x15 номер основного исполнения .
Производитель: FAG.
T = Механически обработанный сепаратор из текстолита, центрируемый по телам качения.
Цена по запросу
Цена на подшипник зависит от:
Габаритные размеры
Размеры и геометрические характеристики
Нагрузка и ресурс
Защита
Присоединительные размеры
Конструкция и исполнение