Главная > Подшипники> Шариковые> Упорные>BSB045075-T

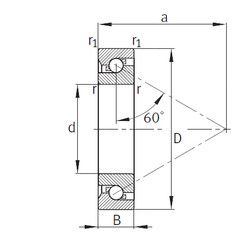
BSB045075-T — Шариковый радиально-упорный подшипник однонаправленный, импортное производство по ISO стандарту, размер 45x75x15 номер основного исполнения .
Производитель: FAG.
T = Механически обработанный сепаратор из текстолита, центрируемый по телам качения.
Цена по запросу
Цена на подшипник зависит от:
Габаритные размеры
Размеры и геометрические характеристики
Нагрузка и ресурс
Защита
Присоединительные размеры
Конструкция и исполнение
Подшипник роликовый радиально-упорный конический однорядный повышенной грузоподъемности 2007109А
Подшипник роликовый радиально-упорный конический однорядный повышенной грузоподъемности с упорным бортом на наружном кольце 2067109А
Опорный подшипник шарико-винтовой передачи 45TAB07DB (NACHI)
Осевой радиально-упорный шарикоподшипник 45TAB07 (NACHI)
Опорный подшипник шарико-винтовой передачи 45TAB07DF (NACHI)
Шариковый радиально-упорный подшипник однонаправленный 45TAC75B (NSK)