Главная > Подшипники> Шариковые> Упорные>BSB040072-2RS-T

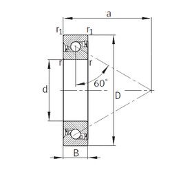
BSB040072-2RS-T — Шариковый радиально-упорный подшипник однонаправленный, импортное производство по ISO стандарту, размер 40x72x15 номер основного исполнения .
Производитель: FAG.
2RS = резиновые уплотнения с каждой стороны подшипника. Т = TVH = сепаратор из полиамида .
Цена по запросу
Цена на подшипник зависит от:
Габаритные размеры
Размеры и геометрические характеристики
Нагрузка и ресурс
Защита
Присоединительные размеры
Конструкция и исполнение
Осевой радиально-упорный шарикоподшипник 40TAB07 (NACHI)
Осевой радиально-упорный шарикоподшипник 40TAB07-2LR (NACHI)
Осевой радиально-упорный шарикоподшипник 40TAB07-2NK (NACHI)
Опорный подшипник шарико-винтовой передачи 40TAB07DB (NACHI)
Шариковый радиально-упорный подшипник однонаправленный 40TAC72B (NSK)
Опорный подшипник шарико-винтовой передачи 40TAB07DF-2NK (NACHI)