Главная > Подшипники> Шариковые> Упорные>BSB035072-2RS-T

BSB035072-2RS-T — Шариковый радиально-упорный подшипник однонаправленный, импортное производство по ISO стандарту, размер 35x72x15 номер основного исполнения .
Производитель: FAG.
2RS = резиновые уплотнения с каждой стороны подшипника. Т = TVH = сепаратор из полиамида .
Цена по запросу
Цена на подшипник зависит от:
Габаритные размеры
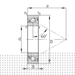
Размеры и геометрические характеристики
Нагрузка и ресурс
Защита
Присоединительные размеры
Конструкция и исполнение
Подшипник роликовый радиально-упорный конический 67207А
Радиальный шарикоподшипник B35-221 (NSK)
Радиальный шарикоподшипник TM-SC07A87CS32PX11 (NTN)
Опорный подшипник шарико-винтовой передачи 35TAB07DF (NACHI)
Осевой радиально-упорный шарикоподшипник 35TAB07 (NACHI)
Опорный подшипник шарико-винтовой передачи 35TAB07DB-2NK (NACHI)