Главная > Подшипники> Шариковые> Упорные>BSB030062-2RS-T

BSB030062-2RS-T — Шариковый радиально-упорный подшипник однонаправленный, импортное производство по ISO стандарту, размер 30x62x15 номер основного исполнения .
Производитель: FAG.
2RS = резиновые уплотнения с каждой стороны подшипника. Т = TVH = сепаратор из полиамида .
Цена по запросу
Цена на подшипник зависит от:
Габаритные размеры
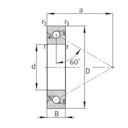
Размеры и геометрические характеристики
Нагрузка и ресурс
Защита
Присоединительные размеры
Конструкция и исполнение
Осевой радиально-упорный шарикоподшипник 30TAB06 (NACHI)
Осевой радиально-упорный шарикоподшипник 30TAB06-2LR (NACHI)
Опорный подшипник шарико-винтовой передачи 30TAB06DF-2NK (NACHI)
Опорный подшипник шарико-винтовой передачи 30TAB06DB (NACHI)
Опорный подшипник шарико-винтовой передачи 30TAB06DB-2NK (NACHI)
Осевой радиально-упорный шарикоподшипник 30TAB06-2NK (NACHI)