Главная > Подшипники>BSB025062-2RS-T

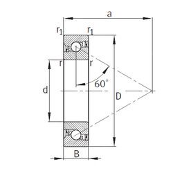
BSB025062-2RS-T — Шариковый радиально-упорный подшипник однонаправленный, импортное производство по ISO стандарту, размер 25x62x15 номер основного исполнения .
Производитель: FAG.
2RS = резиновые уплотнения с каждой стороны подшипника. Т = TVH = сепаратор из полиамида .
Цена по запросу
Цена на подшипник зависит от:
Габаритные размеры
Размеры и геометрические характеристики
Нагрузка и ресурс
Защита
Присоединительные размеры
Конструкция и исполнение
Подшипник роликовый радиально-упорный конический 7305
Опорный ролик 361205 (NKE)
Подшипник роликовый радиально-упорный конический 67305А
Радиальный шарикоподшипник SC05B27 (NTN)
Опорный подшипник шарико-винтовой передачи 25TAB06DB-2NK (NACHI)