Главная > Подшипники> Шариковые> Упорные>BS 50/100 7P62U

BS 50/100 7P62U — Осевой радиально-упорный шарикоподшипник, импортное производство по ISO стандарту, размер 50x100x20 номер основного исполнения .
Производитель: SNFA.
P62 = Класс точности Р6 и радиальная очистка С2.
Цена по запросу
Цена на подшипник зависит от:
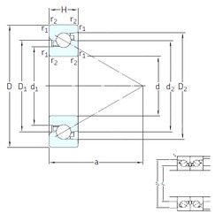
Габаритные размеры
Размеры и геометрические характеристики
Нагрузка и ресурс
Защита
Присоединительные размеры
Конструкция и исполнение
Радиальный шарикоподшипник F-237543.02 (FAG)
Опорный подшипник шарико-винтовой передачи 50TAB10DB (NACHI)
Опорный подшипник шарико-винтовой передачи 50TAB10DF (NACHI)
Шариковый радиально-упорный подшипник однонаправленный 50TAC100B (NSK)
Осевой радиально-упорный шарикоподшипник 50TAB10 (NACHI)
Осевой радиально-упорный шарикоподшипник BS 50/100 /S 7P62U (SNFA)